- 口径:2”~120” DN50~DN3000
- 压力:Class 150~Class 300 PN10~PN64
- 材质:WCB(A105), LCB, CF8(304), CF8M(316), CF3(304L), CF3M(316L)等
- 密封面:硬质合金等可选
- 连接方式:法兰、焊接
- 涡轮传动:手动、电动、气动
- 产品应用:环保、市政、电力、化工、矿山、冶金等。
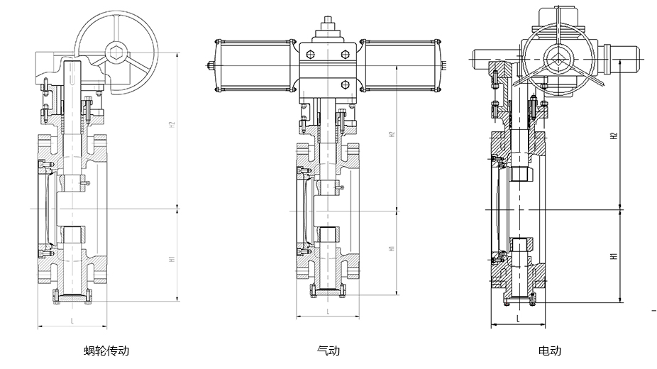
河南泉舜流体控制科技有限公司根据金属硬密封三偏心蝶阀的机构进行改进,研制出双向流硬碰硬旋球阀。旋球阀广泛用于水泵出口端、管网系统、回收系统、高位水槽、易水淹的污水系统、防倒流系统等。 产品特点 1、双向切断功能:双向密封,阀门安装方向不受流体方向的限制; 2、阀门设计有自密封结构:阀门在介质压力下能实现可靠密封; 3、强密封比压 :当阀门反向流体方向安装时,压力介质作用于阀座,作用点的接触面积为圆环形,作用力很大,形成强大的密封比压; 4、具有补偿磨损功能,阀门使用寿命长; 5、旋球阀具有独特的转动结构和阀板、阀座的密封面为球面对圆锥面,在阀门启闭时,固体颗粒被碾碎,具有自清洁功能。 技术参数 口径:2”~120” DN50~DN3000 压力:Class 150~Class 300 PN10~PN40 阀体材质:WCB(A105), LCB, CF8(304), CF8M(316), CF3(304L), CF3M(316L)等 密封面材质:硬质合金等可选 连接方式:法兰、焊接 驱动方式:手动、电动、气动 应用行业 环保、市政、电力、化工、矿山、冶金等。 主要尺寸图 法兰端旋球阀主要尺寸图 对焊端旋球阀主要尺寸图 
公称尺寸 结构长度L(mm) H1 H2 NPS
(Inch )DN(mm) PN6/PN10/PN16
/PN25/Class150PN40/
Class 300蜗轮传动 气动 电动 2 50 108 150 118.5 230 510 410 2-1/2 65 112 170 128.5 240 500 400 3 80 114 180 140 240 505 425 4 100 127 190 150 270 525 450 5 125 140 200 171 313 520 440 6 150 140 210 208 340 586 491 8 200 152 230 243 380 618 543 10 250 165 250 275 448 641 661 12 300 178 270 280 505 750 785 14 350 190 290 325 535 750 820 16 400 216 310 342 630 844 864 18 450 222 330 386 691 857 942 20 500 229 350 440.5 754 839.5 970 24 600 267 390 502 875 943 1093 28 700 292 430 547 905 1029 1288 32 800 318 470 603.5 921 1090 1420 36 900 330 510 663.5 1130.5 1330 1620 40 1000 410 550 708 1115 1294 1659 48 1200 470 630 833.5 1285 1650 1791 56 1400 530 710 933.5 1385 1597 1913 64 1600 600 790 1056 1592 1650 2056 72 1800 670 870 1173.5 1692 2211 80 2000 760 950 1263 1875 2310 88 2200 800 1376 2120 2520 96 2400 850 1500 2230 2600 104 2600 900 1630 2310 2735 112 2800 950 1750 2450 2885 120 3000 1000 1855 2610 3220 公称尺寸 结构长度L(mm) H1 H2 NPS
(inch)DN
(mm)PN6/PN10/PN16/PN25
PN40/Class150/Class 300手动 气动 电动 4 100 190 112 256 510 435 5 125 200 130 256 510 435 6 150 210 140 312 556 461 8 200 230 173 350 500 470 10 250 250 222 390 500 510 12 300 270 240 458 598 610 14 350 290 264 508 630 700 16 400 310 296 546 630 710 18 450 330 335 663 658 742 20 500 350 360 698 683 814 24 600 390 408 785 824 1000 28 700 430 503 797 880 1139 32 800 470 553 945 940 1270 36 900 510 613 1030 1190 1620 40 1000 550 663 1047 1190 1650 48 1200 630 773 1235 1626 56 1400 710 876 1383 1780 64 1600 790 1016 1527 1873 72 1800 870 1128 1793 1997 80 2000 950 1263 1875 2310 88 2200 1000 1376 2120 2520 96 2400 1100 1500 2230 2600 104 2600 1200 1630 2310 2735 112 2800 1300 1750 2450 2885 120 3000 1400 1855 2610 3220
上一篇:没有了!
下一篇:没有了!